网站首页
关于我们
产品展示
新闻中心
生产实力
服务支持
联系我们
当前位置 :
主页
>>
服务支持
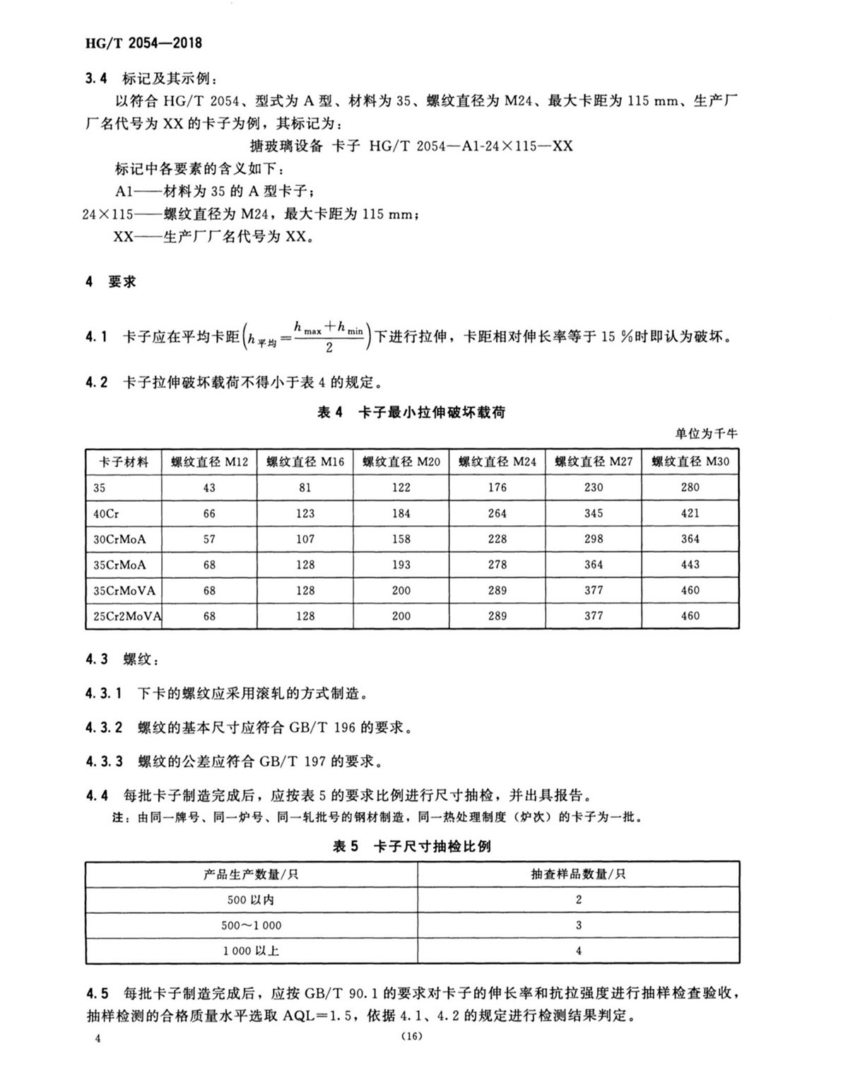
HGT2054-2018搪玻璃设备人孔法兰和卡子
点击次数:
更新时间:22/06/07 17:32:06 来源:
www.zbtuijin.com
【
关闭
】
分 享:
上一条:
HGT2057-2011搪玻璃搅拌容器用机械密封
下一条:
HGT2052-2007搪玻璃设备传动装置
相关资料
GB25025-2010搪玻璃设...
GBT25026-2017搪玻璃...
GBT25027-2018搪玻璃...
GB9119-2010-T_板式...
GB25025-2010搪玻璃设...
相关产品
搪玻璃反应釜
搪玻璃管道
搪玻璃管道
搪玻璃管道
搪玻璃管道
网站首页
关于我们
产品展示
新闻中心
生产实力
服务支持
联系我们
淄博推进化工机械有限公司
联 系 人:李经理 手机号:13280686990
传真:0533-6228598 邮箱:xuzhongmin1963@163.com
地址:山东省淄博市张店区傅家镇
鲁ICP备18026653号
淄博推进化工机械有限公司地址
山东推进智能装备有限公司地址
| |
网站地图